PN6 Flanges GOST 12820-80
Flange, in addition considered as flange or flange. It is the phase that connects pipes to pipes. Connected to tube end. There are holes on the flange, and bolts can be worn to make the two flanges tightly connected. The flanges are gasketed. Flanged pipe fittings are pipe fittings with flanges (flanges or joints). It can be cast, threaded or welded. flange joints (flange, joint) are regular of a pair of flanges, a gasket, and severa bolts and nuts. The gasket is positioned between the sealing floor of the two flanges. After tightening the nut, the unique stress on the ground of the gasket will be deformed after carrying out a tremendous value, and the uneven section of the sealing ground will be filled, so that the connection is tight and no longer leaking. Some pipe fittings and equipment have their very non-public flange, in addition belong to the flange connection. Flange connection is an necessary connection mode in pipeline construction.
Flange connection is handy to use and can face up to giant pressure. Flange connection is especially used in industrial pipeline. In the home, the pipe diameter is small, and is low pressure, no longer seen flange connection. If you are in a boiler room or a manufacturing site, there are flanged pipes and equipment everywhere.
The purpose of the flange is to tightly closed and seal the joint of the pipe fitting. Flange is typically used to be a phase of tight pipes, pipe fittings, etc., and keep the sealing usual normal overall performance of pipe fittings; Flange detachable, reachable to disassemble take a show up at pipe condition. Reducing flange corrosion resistance, acid and alkali resistance, can be used in water conservancy, electric powered powered powered power, strength station, pipeline fittings, industry, stress vessels and awesome aspects.
Stainless steel flange can be used for boiler stress vessels, petroleum, chemical, shipbuilding, pharmaceutical, metallurgy, machinery, elements and incredible industries, it is available to choice a area of pipeline.convenient to disassemble take a appear at pipe condition. Reducing flange corrosion resistance, acid and alkali resistance, can be used in water conservancy, electric powered powered power, power station, pipeline fittings, industry, pressure vessels and specific aspects.
Stainless steel flange can be used for boiler stress vessels, petroleum, chemical, shipbuilding, pharmaceutical, metallurgy, machinery, foods and unique industries, it is handy to alternative a section of pipeline.
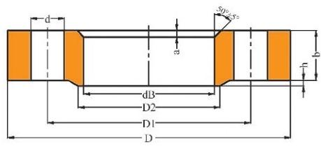
DN | dB | D | D1 | D2 | h | b | d | Number of holes | a | Weight kg |
15 | 19 | 80 | 55 | 40 | 2 | 10 | 11 | 4 | 2 | 0.33 |
20 | 26 | 90 | 65 | 50 | 2 | 12 | 11 | 4 | 2 | 0.53 |
25 | 33 | 100 | 75 | 60 | 2 | 12 | 11 | 4 | 2 | 0.64 |
32 | 39 | 120 | 90 | 70 | 2 | 13 | 14 | 4 | 2 | 1.01 |
40 | 46 | 130 | 100 | 80 | 3 | 13 | 14 | 4 | 3 | 1.21 |
50 | 59 | 140 | 110 | 90 | 3 | 13 | 14 | 4 | 3 | 1.33 |
65 | 78 | 160 | 130 | 105 | 3 | 15 | 14 | 4 | 3 | 1.63 |
80 | 91 | 185 | 150 | 128 | 3 | 15 | 18 | 4 | 3 | 2.44 |
100 | 110 | 205 | 170 | 148 | 3 | 15 | 18 | 4 | 3 | 2.85 |
125 | 135 | 235 | 200 | 178 | 3 | 17 | 18 | 8 | 3 | 3.88 |
150 | 161 | 260 | 225 | 202 | 3 | 17 | 18 | 8 | 3 | 4.39 |
200 | 222 | 315 | 280 | 258 | 3 | 19 | 18 | 8 | 3 | 5.89 |
250 | 273 | 370 | 335 | 312 | 3 | 20 | 18 | 12 | 3 | 7.67 |
300 | 325 | 435 | 395 | 365 | 4 | 20 | 22 | 12 | 4 | 10.28 |
350 | 377 | 485 | 445 | 415 | 4 | 22 | 22 | 12 | 4 | 12.58 |
400 | 426 | 535 | 495 | 465 | 4 | 24 | 22 | 16 | 4 | 15.2 |
500 | 530 | 640 | 600 | 570 | 4 | 25 | 22 | 20 | 4 | 19.72 |
600 | 630 | 755 | 705 | 870 | 5 | 25 | 26 | 20 | 5 | 26.24 |
700 | 720 | 860 | 810 | 775 | 5 | 27 | 26 | 24 | 5 | 36.68 |
800 | 820 | 975 | 920 | 880 | 5 | 27 | 30 | 24 | 5 | 46.14 |
900 | 920 | 1075 | 1020 | 980 | 5 | 29 | 30 | 24 | 5 | 55.1 |
1000 | 1020 | 1175 | 1120 | 1080 | 5 | 31 | 30 | 28 | 5 | 64.36 |
1200 | 1220 | 1400 | 1340 | 1295 | 5 | 34 | 33 | 32 | 5 | 99.03 |
1400 | 1420 | 1620 | 1560 | 1510 | 5 | 43 | 33 | 36 | 5 | 161.45 |
1600 | 1620 | 1820 | 1760 | 1710 | 5 | 48 | 33 | 40 | 5 | 203.05 |
Our Company
Jin Runyuan Flange is a distinguished manufacturer of forging flanges located in the renowned "township of the blacksmith" in Shandong Jinan chapter grave area. The company's headquarters is situated on Set Street, providing convenient transportation and a beautiful environment. Established in 2001, Jin Runyuan Flange covers an extensive area of 20,000 square meters.As a professional manufacturer, Jin Runyuan Flange specializes in producing flanges according to various standards, including Japanese, American, and German standards. They can also process flanges based on customer-supplied drawings or samples. With existing fixed assets valued at 40 million, the company achieves an impressive annual output of 40 million tons.The company's products have gained popularity in more than 20 countries and regions such as Japan, the United States, Germany, South Korea, Russia, Brazil, and South Africa. Customers greatly appreciate and trust the high quality of their products.Jin Runyuan Flange boasts a strong technical force, professional experience, and excellent equipment. They have a team of 10 professional production and technical personnel, 120 front-line workers, E-level management personnel, and over 20 staff members dedicated to packing and inspection.The company utilizes high-quality international forging machinery for processing, assembly, inspection, and packaging. Their production lines are equipped with the most advanced equipment available. The product quality meets national and international standards, and as such, Jin Runyuan Flange has obtained several certifications including the ISSO9001-2000 quality management system certification, French classification society certification, China special equipment manufacturing license, and pressure vessel manufacturing license.Overall, Jin Runyuan Flange of Shandong Machinery CO., LTD has established itself as a reputable company with strong technical capabilities, professional experience, high-quality products, and various certifications. With their dedication to meeting customer needs, they have successfully expanded their market to numerous countries and regions around the world.
Our Factory
Raw Material Blanking
Laboratory Examination
Forging&Forging and Pressing
Machine Processing
Enterprise Oualification Honor







